SMD SPXO OSCILLATOR 5.0 x 3.2 mm 1.0 - 160.0 MHz
- Alta fiabilidad a bajo coste
- Amplio rango de estabilidad de frecuencia de ±20 a ±100 ppm
- Amplio rango de tensión de alimentación de 1,8, 2,5, 2,8, 3,3 y 5,0 VCC
- Alta estabilidad, baja fluctuación, bajo consumo
- Rango de temperatura operativa ampliado de -40°C a +105°C
Nombre del producto
SPXO
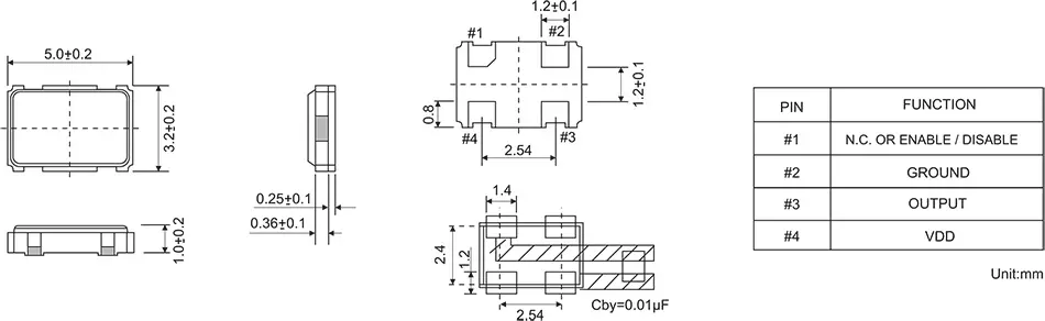
Package
SMD Ceramic/4pad
Dimensiones (Ancho x Fondo x Alto)
5.0 x 3.2 x 1.2 mm
Rango de Frecuencia
1.00 - 160.00 MHz
RoHS
Lead free and RoHS 2 compliant
DELIVERY FORM
TAPE & REEL
STORAGE TEMPERATURE RANGE
-55/+125°C
OPERATING TEMPERATURE RANGE
-10/+60°C ~ -40/+105°C
FREQUENCY STABILITY
0/+70°C ~ -10/+60°C = ±20~±100 ppm
-20/+70°C = ±25~±100 ppm
-40/+85°C ~ -40/+105°C = ±50~±100 ppm
-40/+125°C = ±100 ppmFREQUENCY RANGE VS SUPPLY VOLTAGE
1.8 VDC = 1.0 - 160.0 MHz
2.5 VDC = 1.0 - 160.0 MHz
2.8 VDC = 1.0 - 160.0 MHz
3.3 VDC = 1.0 - 160.0 MHz
5.0 VDC = 1.0 - 160.0 MHz


